OP instrumentation -high voltage amps&pulsers-


800Vpp amplifier : (<30mA)
output    : o..+/-400V
bandwidyh : dc..200kHz
gain      : 100V/V
Supply    : dedicated unit

supply
0..30kV Pulser: (<1mA)
Width     : fixed ca.5uS
Signal    : 0..30kV
control   : o..30V supply
Supply    : adapter and 0..30V

front
0..1kV 200A Pulser:
Rise/fall : 80nS/Rload
Signal    : 0..1kV 0,1..5uS
control   : trig/gate
Supply    : 12V and HVsupply

publication pdf
1600Vpp switcher:(<20mA)
Rise/fall : 300nS @600Vpp
Output    : 30..300kHz
control   : 15Vpp generator
Supply    : 2x 0..400Vmax

waveforms and circuit
2-wire current source (<500V):
bandw     : max. 5kHz
Current   : 100n..10mA f.s.
control   : potmeter/voltage
Supply    : 9V and HVsupply

0..5kV 1600A Pulser:
Rise/fall : 100nS/Rload
Signal    : 0..5kVkV 0.1..10uS
control   : fibre/gate
Supply    : 12V and HVsupply

400Vpp amplifier:(<75mA)
bandwidth : 150kHz
          : 
gain      : 60 V/V
Supply    : +/-225 (-50/+350)

description
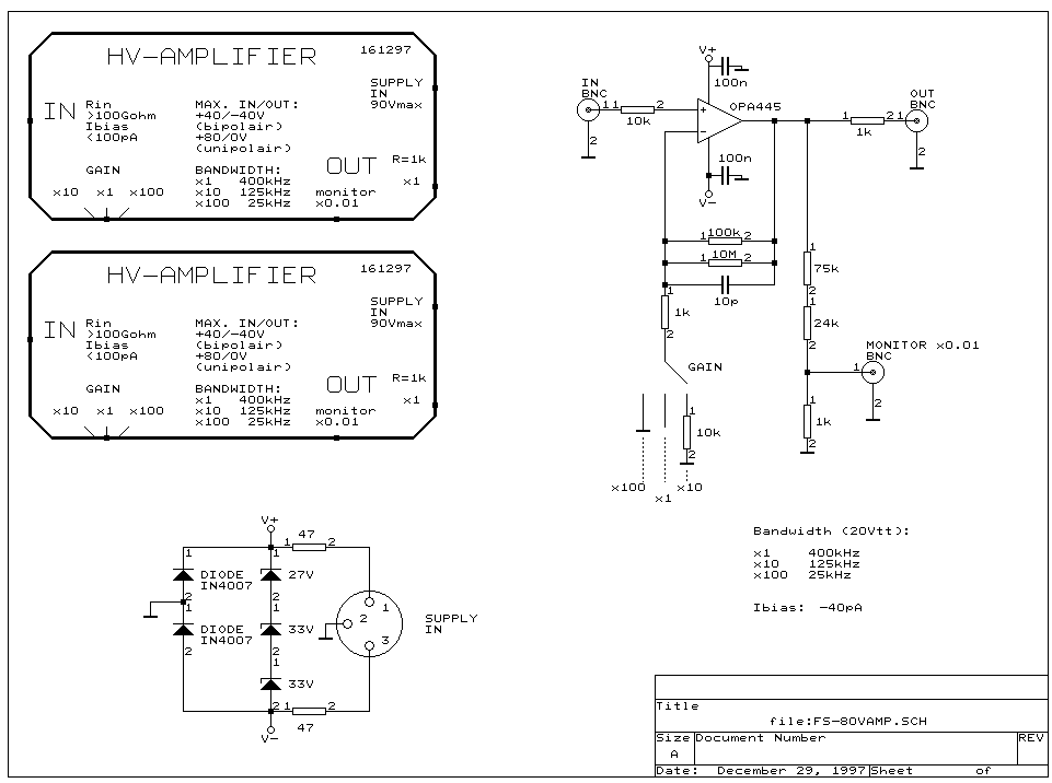
0-80V(+/40V) amplifier:
bandw     : dc-10kHz
gain      : 1/10/100
input     : >10Gohm 
Supply    : dedicated-adapter

circuit
-