OP instrumentation -filters-


(click on a subject for information)
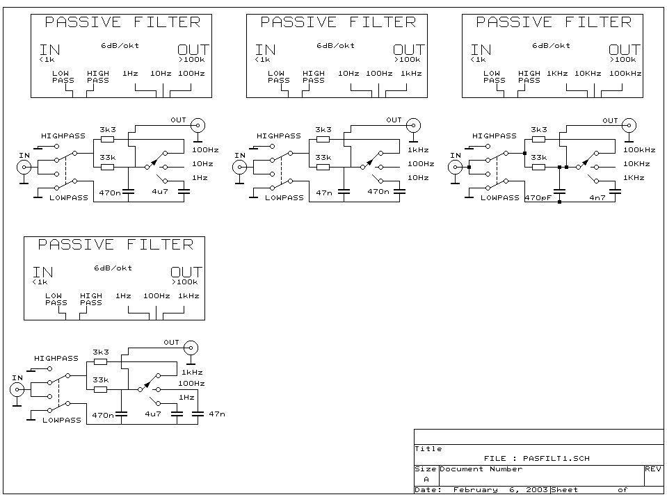
Passive filter LowPass/HighPass:
Bandw (ver1) : 1-10-100  Hz
      (ver2) : 10-100-1k Hz
      (ver3) : 1k-10k-100k Hz
connect to   : sources <1kohm
             : loads   >100kohm

front&schematic
Passive filter 50/150Hz reject:
modes     :50Hz/150Hz/50+150Hz
rejection :70dB @ 50Hz
rejection :66dB @ 150Hz



front&schematic
filtercurve
Active Lowpass 10Hz:
signals   : <+/-2V
rejection :60dB @ 50Hz
rejection :100dB @1Mhz