QT designed instrumentation -filters page-



         


TEXT:

DRAWINGS:
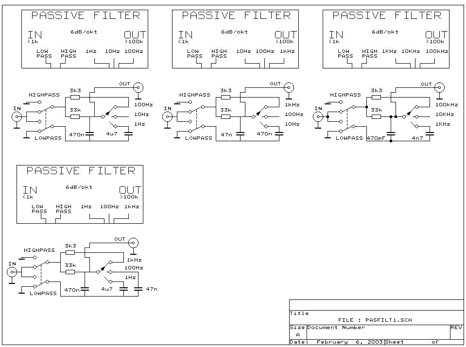
passive high/lowpass 3freq
passive 50-150Hz reject filter
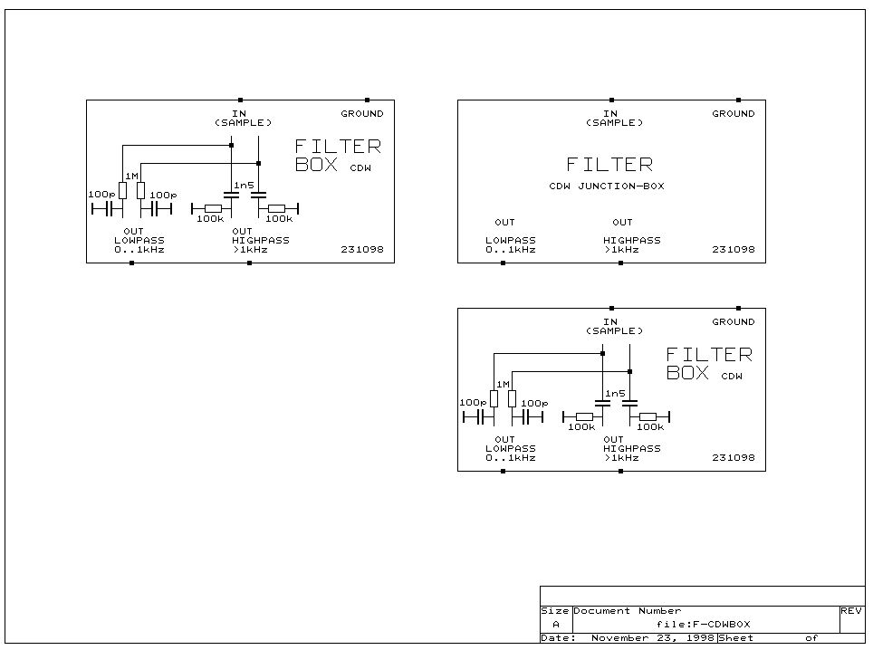
lf/rf splitter for cdw
application lf/rf splitter for cdw